| Мощность номинальная, кВт | 12.5 |
| Гарантия, срок (мес) | 12 |
| Масса, кг | 32, 34 |
| Количество цилиндров | 1 |
| Комплектация | Без бака, глушителя, ручного стартера, электрического стартера., Фильтр воздушный. |
| Артикул | 026252 |
| Описание товара | Бензиновый двигатель Excalibur разработан для установки на мототехнику различного назначения. Подходит для установки на генераторы электроэнергии, виброплиты, вибротрамбовки, резчики швов, заглаживающие, фрезеровальные машины, мини тракторы, мотоблоки, снегоходы, картинги, квадроциклы, лодочные моторы, мотопомпы и другую всевозможную технику. Эти двигатели сочетают в себе надежность и высокие эксплутационные характеристики. Двигатели поставляются в различной комплектации, поэтому каждый покупатель может выбрать оптимальный для себя вариант. КОМПЛЕКТАЦИЯ 0: Без бака, глушителя, ручного стартера, электрического стартера. |
| Пусковое устройство (стартер) | Стартер ручной |
| Тип топливного фильтра | Отсутствует |
| Тип воздушного фильтра | Фильтр воздушный |
| Ёмкость масляной системы (л) | 1.1 |
| Тип масляного фильтра | Отсутствует |
| Рекомендуемый тип масла | SAE 10W-30 |
| Габаритные размеры (Д;Ш;В; мм) | 450х405х443 |
| Удельный расход топлива (г/кВт*ч) | 313 |
| Ход поршня (мм) | 66, 69 |
| Диаметр цилиндра (мм) | 92, 94.5 |
| Частота вращения коленвала (об/мин) | 3600 |
| Рабочий объём двигателя (л) | 0,460 |
| Расположение цилиндров | Вертикальное, Вертикально |
| Тактность двигателя | 4 |
| Вид топлива | Бензин, АИ-92 |
| Габаритные размеры упаковки (Д;Ш;В; мм) | 475х465х520, 485х465х520 |
| Рабочий объем, см3 | 460 |
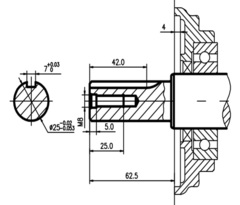
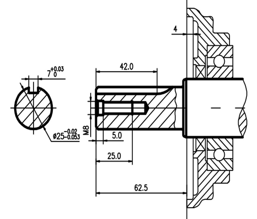
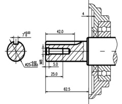
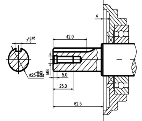
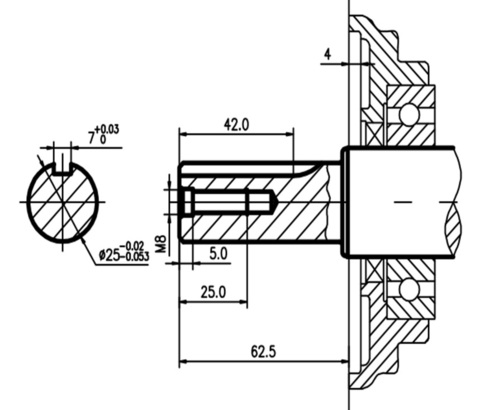
| Диаметр вала, мм | 25 |
| Тип вала | Цилиндр под шпонку. D-25 mm, L - 62.5 mm, Цилиндрический. D-25 mm, L - 62.5 mm |
| Мощность номинальная кВт/л.с. | 9,2/12,5, 12,5/17 |
| Аналоги | Lifan 192F (KP460) |
| Мощность номинальная кВт/л.с. (3600 об/мин) | 14,7/20 |
| Мощность номинальная кВт/л.с. (3000 об/мин) | 12,5/17 |
Продолжая использовать наш сайт, вы даете согласие на обработку файлов cookie, которые обеспечивают правильную работу сайта и соглашаетесь с нашей Политикой безопасности