| Гарантия, срок (мес) | 12 |
| Масса, кг | 35 |
| Количество цилиндров | 1 |
| Комплектация | Без бака, глушителя, ручного стартера, электрического стартера., Фильтр воздушный. |
| Артикул | 023836 |
| Описание товара | Дизельный двигатель Excalibur разработан для установки на мототехнику различного назначения. Подходит для установки на генераторы электроэнергии, виброплиты, вибротрамбовки, резчики швов, заглаживающие, фрезеровальные машины, мини тракторы, мотоблоки, снегоходы, картинги, квадроциклы, лодочные моторы, мотопомпы и другую всевозможную технику. Эти двигатели сочетают в себе надежность и высокие эксплутационные характеристики. Двигатели поставляются в различной комплектации, поэтому каждый покупатель может выбрать оптимальный для себя вариант. КОМПЛЕКТАЦИЯ 0: Без бака, глушителя, ручного стартера, электрического стартера., Двигатель дизельный, одноцилиндровый, с воздушным охлаждением. Вал под шпонку цилиндрический Ø 25мм, подходит для замены Yanmar L70N, Kipor KM178FS, Grost 178F-C. Изготовителем данных двигателей является завод Excalibur - крупнейший производитель сварочных генераторов, строительной техники и двигателей для малой механизации, которые поставляются в страны Азии, Европы, Африку и Америку. Двигатель дизельный 178F предназначен для установки на виброплиты, резчики швов, заглаживающие и фрезеровальные машины, мини тракторы, мотоблоки, снегоходы, картинги, квадроциклы, лодочные моторы, мотопомпы. Двигатель дизельный 178F (А1-тип, под шпонку Ø 25мм) - K0 является аналогом двигателей: Двигатель Yanmar L70N; Двигатель Kipor KM178FS; Двигатель LIFAN C178F; Двигатель Grost 178F-C. Комплектация - К0: Без глушителя. Без бака топливного. Без стартера ручного. Без электростартера. |
| Пусковое устройство (стартер) | Стартер ручной |
| Тип воздушного фильтра | Фильтр воздушный |
| Ёмкость масляной системы (л) | 1.1 |
| Тип масляного фильтра | Фильтр масленый |
| Рекомендуемый тип масла | SAE 10W-30 |
| Габаритные размеры (Д;Ш;В; мм) | 397х425х515 |
| Удельный расход топлива (г/кВт*ч) | 276 |
| Ход поршня (мм) | 62 |
| Диаметр цилиндра (мм) | 78 |
| Частота вращения коленвала (об/мин) | 3600 |
| Рабочий объём двигателя (л) | 0,296 |
| Расположение цилиндров | Вертикальное |
| Тактность двигателя | 4 |
| Вид топлива | Дизель, Дт |
| Габаритные размеры упаковки (Д;Ш;В; мм) | 485х475х525 |
| Удельный расход масла (г/кВт*ч) | 4 |
| Рабочий объем, см3 | 296 |
| Диаметр вала, мм | 25 |
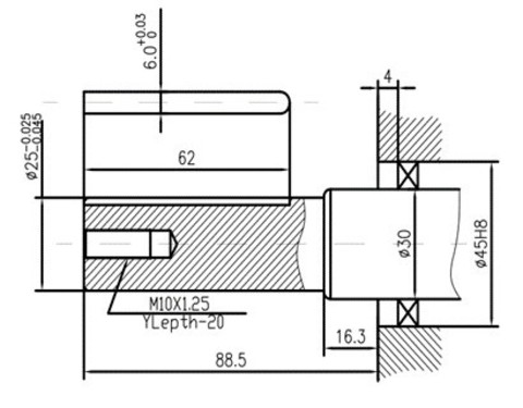
| Тип вала | Цилиндр под шпонку. D-25 mm, L - 72.2 mm, А1-тип, под шпонку. D-25 mm, L - 72.2 mm |
| Мощность номинальная кВт/л.с. | 4/5,4 |
| Аналоги | Lifan 178F, Kipor KM178F |
| Бак, л | 3.5 |
| Мощность номинальная кВт/л.с. (3600 об/мин) | 4,4/5,98 |
Продолжая использовать наш сайт, вы даете согласие на обработку файлов cookie, которые обеспечивают правильную работу сайта и соглашаетесь с нашей Политикой безопасности