| Гарантия, срок (мес) | 12 |
| Масса, кг | 52 |
| Количество цилиндров | 1 |
| Комплектация | Бак, глушитель, ручной, электро старт., Бак топливный, глушитель, стартер ручной, электростартер, фильтр воздушный. |
| Артикул | 023896 |
| Описание товара | Дизельный двигатель Excalibur разработан для установки на мототехнику различного назначения. Подходит для установки на генераторы электроэнергии, виброплиты, вибротрамбовки, резчики швов, заглаживающие, фрезеровальные машины, мини тракторы, мотоблоки, снегоходы, картинги, квадроциклы, лодочные моторы, мотопомпы и другую всевозможную технику. Эти двигатели сочетают в себе надежность и высокие эксплутационные характеристики. Двигатели поставляются в различной комплектации, поэтому каждый покупатель может выбрать оптимальный для себя вариант. КОМПЛЕКТАЦИЯ 3: Бак, глушитель, ручной, электро старт., Двигатель дизельный, одноцилиндровый, с воздушным охлаждением. Вал конус (D-26 mm, L-75 mm), подходит для замены Loncin Diesel D460FD, YANMAR L100N, Kipor KM186F, Lifan 192F Diesel, Grost 186FАЕ-G. Изготовителем данных двигателей является завод Excalibur - крупнейший производитель сварочных генераторов, строительной техники и двигателей для малой механизации, которые поставляются в страны Азии, Европы, Африку и Америку. Двигатель дизельный 192FA (B-тип, вал конус) - T3 предназначен для установки на портативные электростанции и сварочные генераторы. Двигатель дизельный 192FA (B-тип, вал конус) - T3 является аналогом двигателей с конусным валом: Двигатель Lifan 192F, конусный вал; Двигатель дизельный Loncin Diesel D460FD; Двигатель Lifan 188FD Diesel, конусный вал; Двигатель дизельный GESHT D188FAE; Двигатель дизельный YANMAR L100N; Двигатель дизельный Kipor KM186F; Двигатель дизельный 186FАЕ-G. Комплектация - T3: Полная комплектация. |
| Пусковое устройство (стартер) | Электростартер. стартер ручной. |
| Тип воздушного фильтра | Фильтр воздушный. |
| Ёмкость масляной системы (л) | 1.6 |
| Тип масляного фильтра | Фильтр масленый. |
| Рекомендуемый тип масла | SAE 10W-30 |
| Габаритные размеры (Д;Ш;В; мм) | 510x490x560 |
| Удельный расход топлива (г/кВт*ч) | 276 |
| Ход поршня (мм) | 75 |
| Диаметр цилиндра (мм) | 92 |
| Частота вращения коленвала (об/мин) | 3000 |
| Рабочий объём двигателя (л) | 0,499 |
| Расположение цилиндров | Вертикальное |
| Тактность двигателя | 4 |
| Вид топлива | Дизель, Дт |
| Габаритные размеры упаковки (Д;Ш;В; мм) | 485х475х525, 580х500х610 |
| Удельный расход масла (г/кВт*ч) | 4 |
| Рабочий объем, см3 | 498, 499 |
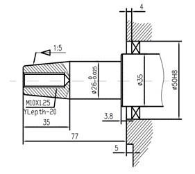
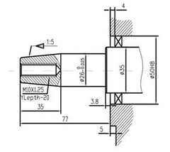
| Тип вала | Конусный. D-26 mm, L - 73.2 mm, B-тип, Конус. D-26 mm, L-75 mm |
| Мощность номинальная кВт/л.с. | 7,5/10,2 |
| Аналоги | Lifan 192F, KD192FE |
| Бак, л | 5.5, 6.5 |
| Мощность номинальная кВт/л.с. (3600 об/мин) | 11,03/15 |
| Мощность номинальная кВт/л.с. (3000 об/мин) | 8,61/11,71 |
Продолжая использовать наш сайт, вы даете согласие на обработку файлов cookie, которые обеспечивают правильную работу сайта и соглашаетесь с нашей Политикой безопасности